
Solid surface countertops deliver outstanding performance and aesthetics by combining creativity and functionality. Whether you want flowing or textured surfaces, seamless transitions, organic or modern shapes, custom color, or unique translucency, we can create stain resistant, bright, custom solid surface countertops for your kitchen, bathroom, or commercial space.
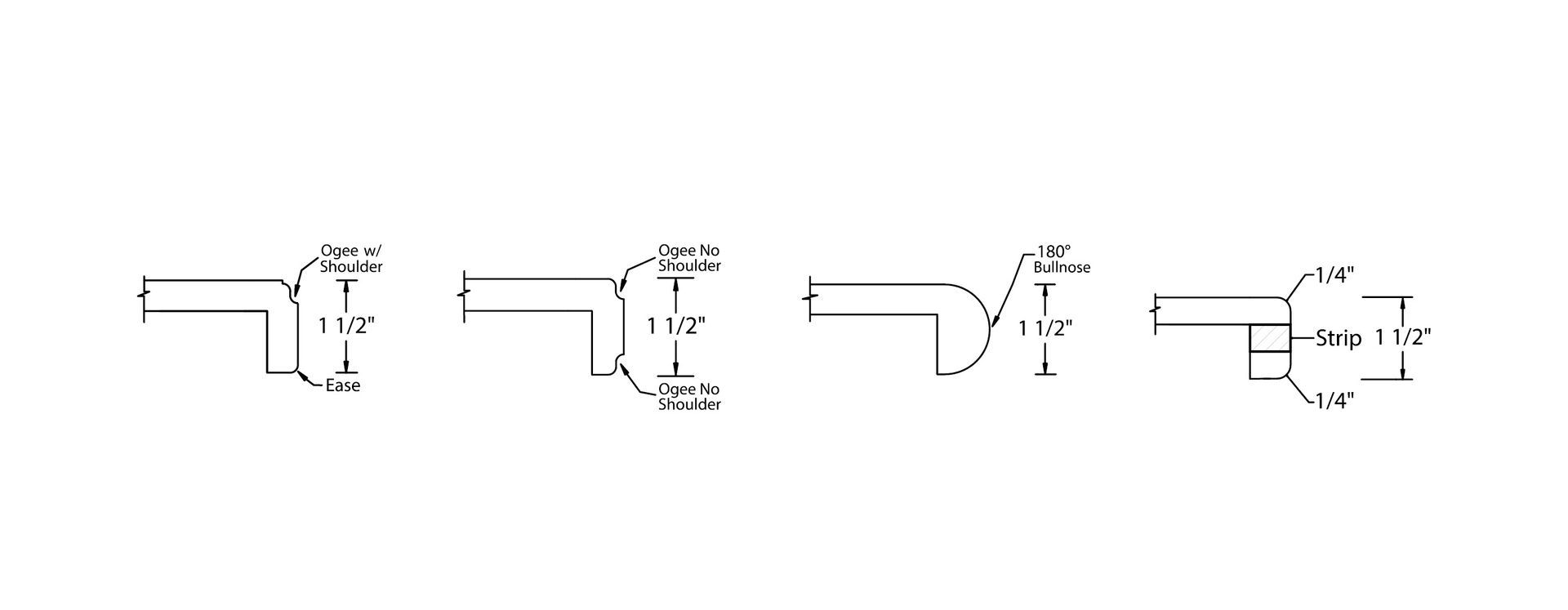
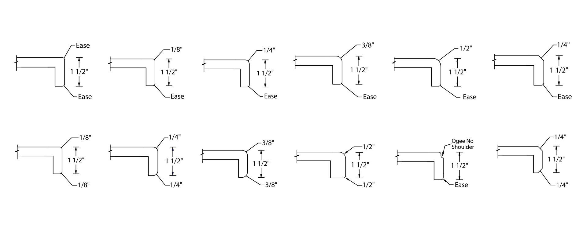
Solid surface countertops have several edge styles to choose from. Take a look at the options below.
Standard Edges
Upcharge Edges
Find the most current colors available for solid surface countertops by browsing these websites:
New Parag
828 Northern Pacific Ave
Fargo, ND
58102
Copyright © Fabricators Unlimited | All Rights Reserved
Company News Letter
Our Locations
828 Northern Pacific Ave
Fargo, ND
58102
171 Eastdale Drive
Bismarck ND
58501
130 Riverside Rd
Billings, MT
59101
12811 Alfalfa Lane SW
Pillager, MN
56473
4501 103rd Ct NE #170
Circle Pines, MN
55014